Hyper Vision HPV-X2 - Specs
High-Speed Video Camera
Camera Head
| Lens Mount |
Nikon F-mount1) |
|---|---|
| Image Sensor |
FTCMOS2 image sensor |
| Recording Speed2) (frame rate) : HP mode |
10 Mfps, 5 Mfps (fixed) (fps = frames per second) |
| Recording Speed2) (frame rate) : FP mode |
5 Mfps (fixed) |
| Recording Speed2) (frame rate) : Both modes |
Variable recording speed between 60 fps and 2 Mfps (in 1/10 ns steps) |
| Continuous Recording Capacity : HP mode |
256 frames max. |
| Continuous Recording Capacity : FP mode |
128 frames max. |
| Resolution : HP mode |
50,000 pixels (zigzag lattice pixel array)3) |
| Resolution : FP mode |
100,000 pixels (400 (horizontal) × 250 (vertical)) |
| Color/Gradations |
Monochrome, 10 bits4) |
| Exposure Time5) |
10 Mfps (fixed at 50 ns), 5 Mfps (fixed at 110 ns) |
| External Trigger Input |
Two channels (TRIGIN, STANDBY) TTL level (5 V), capable of either positive or negative polarity |
| Recording Mode |
Internal trigger, external trigger, continuous trigger |
| Synchronization Function |
Capable of synchronized recording with two cameras connected |
| Optional Outputs |
Two channels (exposure start timing, trigger detection timing, or other outputs depending on settings) |
| Trigger Point Setting |
Can be set to any frame from the second frame onwards. |
| Interface |
One 1000 Base-T/100 Base-TX port |
| External Monitor Output |
NTSC/PAL output |
| Data Memory Format |
10-bit dedicated format, BMP, AVI, JPEG, TIFF (8-bit and 16-bit formats supported) |
Note 1: Shimadzu does not guarantee that all F-mount lenses can be attached.
Note 2: The recording speed is a reference value. It is not guaranteed to be an accurate value for the time interval between recording frames.
Note 3: Stored images will be 400 pixels (horizontal) × 250 pixels (vertical).
Note 4: 10-bit refers to the data format. It does not indicate a guarantee of data precision.
Note 5: These exposure times are rough indications and are not guaranteed as exact exposure time ratios for all recording speeds.
Note 6: The FTCMOS2 image sensor used in this camera is manufactured using high accuracy technology, but defective pixels may exist. Note that this is not a defect or failure of the product.
Required Specifications for the Control PC
| Operating system |
Windows 7/ 8.1 Professional (64-bit)1) |
|---|---|
| CPU |
Intel Core i5 or faster |
| Memory |
4 GB or more |
| HDD |
250 GB or more |
| Screen Size |
1,366 × 768 or larger |
| Interface |
1000 Base-T/100 Base-TX |
| External Recording Device |
DVD-RW |
| Other Peripherals |
Mouse and keyboard |
Note 1: Windows is a registered trademark of Microsoft Corporation in the USA and other countries.
Environmental Conditions
| Operating temperature range |
5 to 40 ℃ |
|---|---|
| Operating Humidity Range |
35 to 75 % RH with no condensation |
| Storage Temperature Range |
0 to 50 ℃ |
| Storage Humidity Range |
20 to 80 % RH with no condensation |
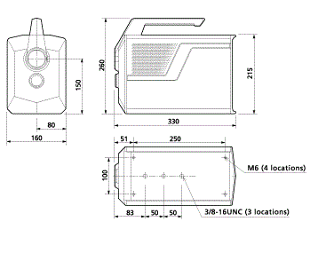
Size and Weight
| Camera Head |
W160 × D330 × H260 mm, approx. 6.4 kg |
|---|---|
| Power Supply Unit |
W150 × D392 × H185 mm, approx. 5.2 kg |
| Length of Interface Cable Between Camera and Control Computer |
Approx. 2 m |
| Length of Cable Between Camera and Power Supply Unit |
Approx. 2.8 m |
External Dimensions
Camera Head

Power Supply Unit
Units: mm